
| Stručné informace: |
SYSF91E autonomní přístupová čtečka otisků prstů a EMarine karet 125kHz. Přístupová čtečka SYSDO ve spojení s portálem SYSDO vytvoří ucelený systém evidence docházky i přístupu osob.
|
|
|
|
| Interní kód: | E001-4683 |
| Dostupnost: |
skladem
|
| Koncová cena: | 5 450.00 Kč |
| vč. DPH 6 594.50 Kč | |
| RP: 2.00 Kč | |
|
Počet kusů:
|
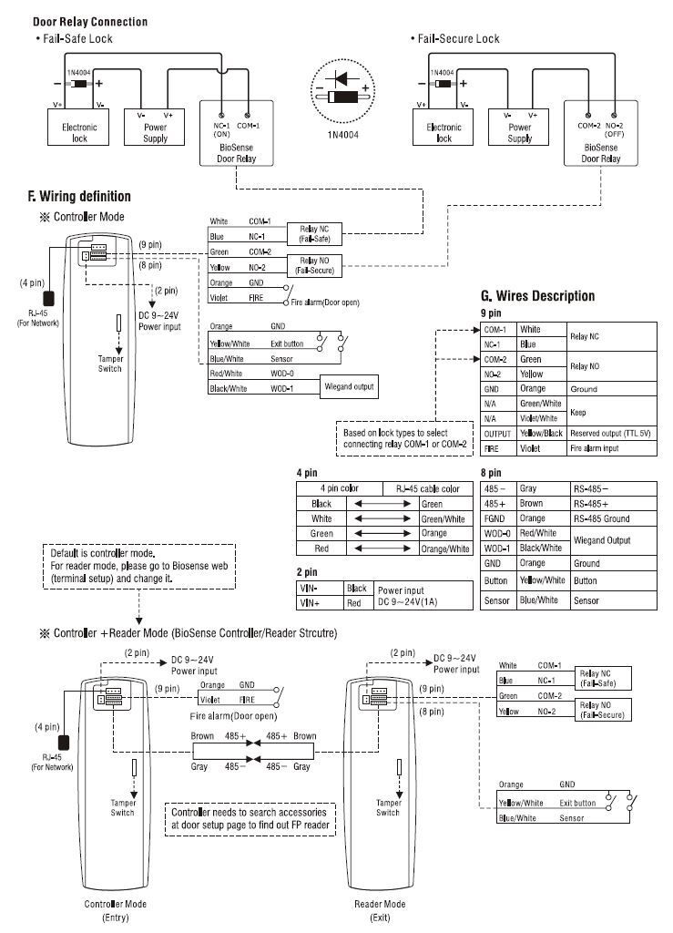
Autonomní IP přístupová čtečka SYSDO otisky prstů a EM karet 125kHz pro evidenci a kontrolu přístupu osob. Přístupová čtečka podporuje TCP/IP P2P komunikaci pomocí rozhraní Ethernet portu, výstup TCP/IP RJ45, Wiegand, RS485, Wiegand vstupy pro externí čtečku, výstup relé, odchodové tlačítko. Napájení 9 - 24VDC, odběr 500mA, rozměry PCB 160 x 56 x 41mm.
Přístupová TCP/IP čtečka pro řízení přístupu a evidenci vstupu pro jedny dveře /při doplnění externí čtečky obousměrně/. Čtečka má Wigand vstup pro připojení RFID čtečky, odchodové tlačítko, vstup pro monitoring dveří, jeden poplachový vstup a jedno NO/NC relé pro ovládání zámku a RS485.
Přístupová čtečka SYSDO ve spojení s portálem SYSDO vytvoří ucelený systém evidence docházky i přístupu osob. Tím se na objektu získá kompletní správu nad docházkou a přístupem osob kdekoliv na světě bez nutnosti instalace SW a složité konfigurace.
TCP/IP čtečka SYSDO je připravená a nakonfigurovaná s účtem do on-line WEB aplikace SYSDO, kde lze ústřednu kompletně konfigurovat podle potřeby uživatele.
| Verifikační režimy |
Otisk prstů, ID
RF |
| Typ senzoru otisku prstů | Optický 500dpi,
SoMAC |
| Obousměrné ovládání dveří | ANO, Wiegand
vstup |
| Wiegand výstupy | 1x,
Wiegand výstup 26 ∼ 66 bit |
| Typ ID karty |
Emarin 125kHz |
| Odchodové tlačítko | 1 |
| Vstup monitorování dveří | 1 |
| Poplachový vstup | 1 |
| Kapacita otisků |
9.590 |
| Kapacita ID karet | 20.000 |
| Kapacita paměti událostí | 51.968 průchodů |
| Časové zóny | 120 |
| Skupiny uživatelů | 250 |
| Komunikační porty | TCP/IP RJ45, Wiegand
výstup, RS485 |
| Komunikační protokol |
P2P SYSDO CLOUD
System |
| Napájení | 9 ∼ 24VDC |
| Doporučený napájecí zdroj | min. 1A |
| Výstup relé | 1x 2A - 40VAC/28VDC |
| Provozní teplota | 0 ∼ 55 ºC |
| Rozměry |
160 x 56 x 41mm |