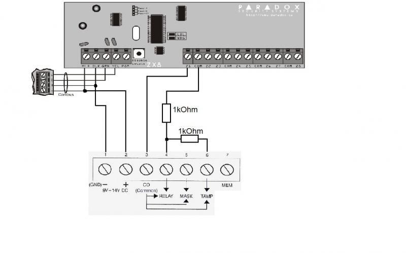
Dotaz:
Potřebuji k ústrředně ( nebo expanderu ) Paradox připojit čidlo Curtain. Jak mám čidlo zapojit s dvěma vyvažovacími odpory aby byl rozpoznán tamper? Svorka COM je po tamper i N.C. kontakt společná.
Odpověď:
viz. schéma zapojení
Potřebuji k ústrředně ( nebo expanderu ) Paradox připojit čidlo Curtain. Jak mám čidlo zapojit s dvěma vyvažovacími odpory aby byl rozpoznán tamper? Svorka COM je po tamper i N.C. kontakt společná.
Odpověď:
viz. schéma zapojení
Galerie
obr.1


