Dotaz:
U ústředny DGP848 mámpovoleny dva podsystémy. K této ústředně chci připojit venkovní (zálohovanou) avnitřní (nezálohovanou) sirénu. Venkovní bude signalizovat jakýkoliv poplach v prvním idruhém podsystému. Vnitřní bude signalizovat poplach pouze přizastřežení obou podsystémů. Jak mám postupovat?
Odpověď:
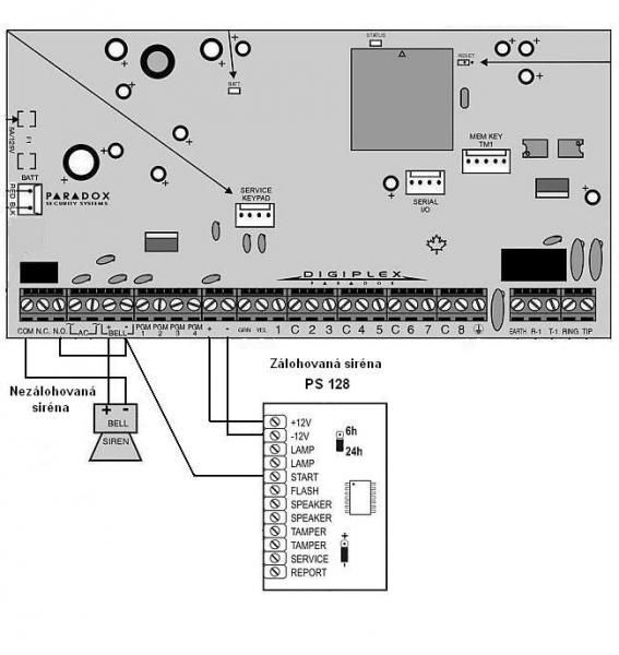
Oběsirény zapojíme na výstup BELL u ústředny DGP848. Zálohovaná siréna(např: PS128) bude mít svorku START připojenu přímo na svorku BELL –.Nezálohovaná siréna bude mít kladný vodič připojený na svorku BELL + azáporný vodič přes PGM5 na svorku BELL -, obr.1.
Výstup PGM5naprogramujete na událost zastřeženo ve všech podsystémech:
Programování z klávesnice:
[408]10 1*******
[502]kl.[5] OFF
Programování z Winloadu:
Obrázek 2.
U ústředny DGP848 mámpovoleny dva podsystémy. K této ústředně chci připojit venkovní (zálohovanou) avnitřní (nezálohovanou) sirénu. Venkovní bude signalizovat jakýkoliv poplach v prvním idruhém podsystému. Vnitřní bude signalizovat poplach pouze přizastřežení obou podsystémů. Jak mám postupovat?
Odpověď:
Oběsirény zapojíme na výstup BELL u ústředny DGP848. Zálohovaná siréna(např: PS128) bude mít svorku START připojenu přímo na svorku BELL –.Nezálohovaná siréna bude mít kladný vodič připojený na svorku BELL + azáporný vodič přes PGM5 na svorku BELL -, obr.1.
Výstup PGM5naprogramujete na událost zastřeženo ve všech podsystémech:
Programování z klávesnice:
[408]10 1*******
[502]kl.[5] OFF
Programování z Winloadu:
Obrázek 2.
Galerie
obr.1
obr.2


