Dotaz:
Jak se připojí siréna OS365 k zabezpečovací ústředně DGP848?
Odpověď:
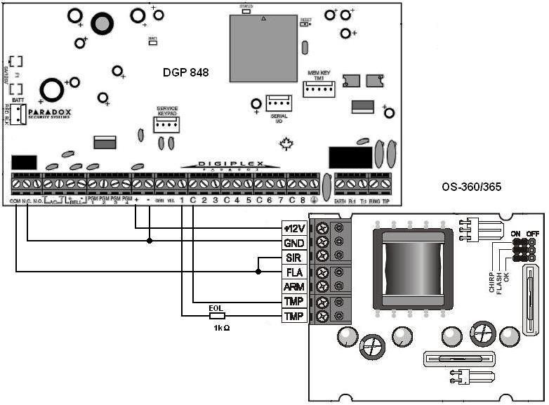
Nejprve proveďte hardwarové zapojení podle obr. 1.
Dále je nutné naprogramovat PGM 5 na událost poplach obr.2.
Jak se připojí siréna OS365 k zabezpečovací ústředně DGP848?
Odpověď:
Nejprve proveďte hardwarové zapojení podle obr. 1.
Dále je nutné naprogramovat PGM 5 na událost poplach obr.2.
Galerie
obr.1
obr.2


