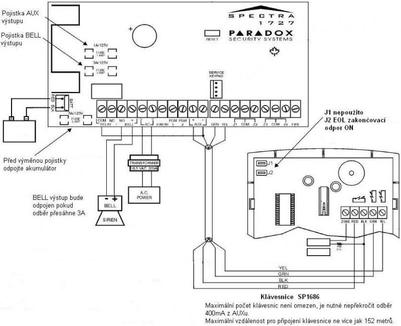
Při zapojení sirény nebo jiného zařízení k ústředně Spectra 1727 je důležité nastavit sekci Systémové parametry.
Tedy sekce [20] Systémové parametry klávesa [3].
[3] ON (svítí) pak na svorkách BELL+ a NC v klidu = 13V
[3] OFF (nesvítí) pak na svorkách BELL+ a NC v klidu = 0V
NC (Normal Close) - v klidu sepnuto
NO (Normal Open) - v klidu otevřeno
Zapojení na obrázku.
Tedy sekce [20] Systémové parametry klávesa [3].
[3] ON (svítí) pak na svorkách BELL+ a NC v klidu = 13V
[3] OFF (nesvítí) pak na svorkách BELL+ a NC v klidu = 0V
NC (Normal Close) - v klidu sepnuto
NO (Normal Open) - v klidu otevřeno
Zapojení na obrázku.
Galerie
obr.1
obr.2


