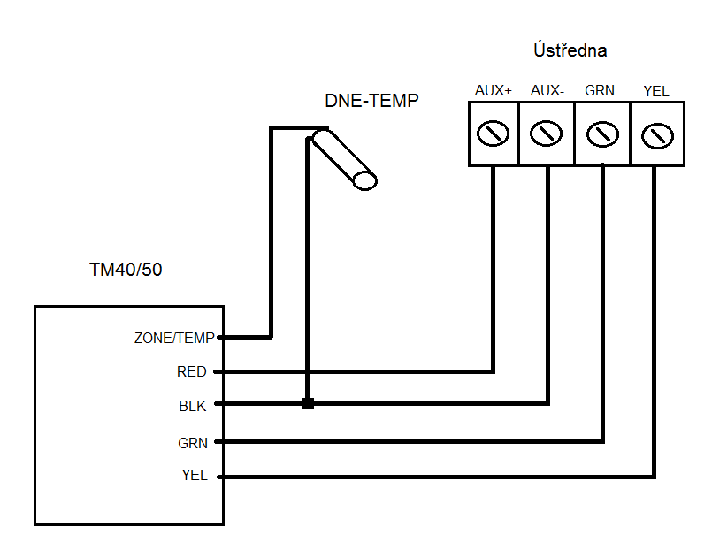
Dotykové klávesnice TM40/50 mají možnost měřit a zobrazovat teplotu jak vnitřní (vestavěný teplotní senzor) tak venkovní. Pro měření venkovní teploty je nutné připojit na svorky klávesnicové zóny teplotní senzor „DNE-TEMP Externi teplomer“. Teplotní senzor zapojíme podle obrázku 1 je jen nutné dodržet maximální vzdálenost od klávesnice a to 30 metrů.
Dále musíme nastavit měření venkovní teploty na klávesnici
U systému SP/MG
1. Pozor, aby jste se dostali do Programování musíte odstřežit
2. Menu – Nastavení systému - „instalační kód“ - Pokročilé - „instalační kód“ - Programování klávesnice a tady Vstup/teplota nastavit teplota (obr.2).
3. Menu - Nastavení - Domácí stránka - Zobrazit skrýt - Zobrazit venkovní tepotu (obr.3 - 4)
4. Menu - Nastavení - Kalibrace senzorů
Ještě postup pro skenování sběrnice
Menu - Nastavení systému - „instalační kód“ - Pokročilé - „instalační kód“ - Programování systému (obr.5 - 6)
Dále musíme nastavit měření venkovní teploty na klávesnici
U systému SP/MG
1. Pozor, aby jste se dostali do Programování musíte odstřežit
2. Menu – Nastavení systému - „instalační kód“ - Pokročilé - „instalační kód“ - Programování klávesnice a tady Vstup/teplota nastavit teplota (obr.2).
3. Menu - Nastavení - Domácí stránka - Zobrazit skrýt - Zobrazit venkovní tepotu (obr.3 - 4)
4. Menu - Nastavení - Kalibrace senzorů
Ještě postup pro skenování sběrnice
Menu - Nastavení systému - „instalační kód“ - Pokročilé - „instalační kód“ - Programování systému (obr.5 - 6)
Galerie
obr.1
obr.2
obr.3
obr.4
obr.5
obr.6
obr.7


